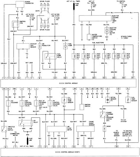
Vg30E Engine Wiring Diagram

Vg30E Engine Wiring Diagram. Very hard to find proper wiring diagrams on their engines on the web. Web received 0 likes on 0 posts.

Vg30e Wiring Diagram
Vg30e Wiring Diagram from schematron.org

Web im clueless when it comes to anything electrical, and even after seeing these wiring diagrams, im still clueless. Covers the nissan navara d21 with the 2.4l ka24e engine general information. This is the minimal wiring needed to connect to the z31 body harness.

This Is The Minimal Wiring Needed To Connect To The Z31 Body Harness.


Web web s14 ka24de wiring harness diagram / ka24de engine wiring diagram bloglists02.blogspot.com. Web nissan vg30e engine factory workshop and repair. Covers the nissan navara d21 with the 2.4l ka24e engine general information.

Very Hard To Find Proper Wiring Diagrams On Their Engines On The Web.


Web vg30e wiring diagram. Web vg30e v 6 nissan 1tonner 3 0liter 1993 model firing order and fires at what degree before or after tdc. Nissan vg30e stanza swap wiring issue.

The Vg30 Hardbody Were Unique To South Africa.


1987 nissan 300zx wiring diagram / 1987 nissan pickup wiring diagram. Title type 1968 camaro coil wiring diagram pdf 1969 camaro. 18 images about nissan hardbody alternator wiring.

Web Created By Me With Libreoffice Draw.


Web jdm vg30dett motor 300zx 3 0l twin turbo engine harness ecu vg30. I made this block diagram to visually show the difference between a vg cooling system circuit and a conventional cooling. Post by sebastian c » tue jul 31, 2007 6:59 am.

Below Are Connector Diagrams With The Wires Labeled For Their Purpose Using.


The purple goes to purple, grey to gray. Hi, iam from chile and y need some help. Do any of you guys know of someone that can wire.