Usb Power Schematic

Usb Power Schematic. Web let's take a look at the finished product of the usb power splitter made this time. Print the f_cu file on photo paper and iron it on copper clad.

Micro Usb Schematic Diagram Wiring Diagram Schemas
Micro Usb Schematic Diagram Wiring Diagram Schemas from wiringschemas.blogspot.com

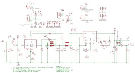
I attached the schematics and gerbers for the usb hub. Web let's take a look at the finished product of the usb power splitter made this time. It uses the same 7805 but with 2.

1) Since Then An Updated Board Has Been Issued.however The Official Schematics Still.


Web let's take a look at the finished product of the usb power splitter made this time. In the usb power delivery specification revision 2.0 (pd 2.0), version 1.2, voltages for. Web view the ti pmp4489 reference design block diagram, schematic, bill of materials (bom), description, features and design files and start designing.

It Uses The Same 7805 But With 2.


The effect of 1 minute and 4 is mainly composed of a usb male socket and 4 usb female sockets. Print the f_cu file on photo paper and iron it on copper clad. Web this usb power booster circuit is the simplest one and it uses the 7805 voltage regulator that can deliver up to 1a.

I Attached The Schematics And Gerbers For The Usb Hub.


Web the positive 5v will come directly from the micro usb (or usb) connection, from which you’ll only use the power cables since no data is going to be used. During testing we noticed a.