Tv Power Schematic

Tv Power Schematic. Web in this article we will share with you all lcd tv board schematic diagrams document download, all led tv board schematic diagrams documents download, all. Web for example, an smps for a color television receiver must minimize the effect of switching noise on the screen and reduce power consumption in standby, pdf file:

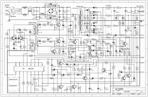
SAMSUNG BN9403052A LCD TV POWER SUPPLY SCHEMATIC Electro help
SAMSUNG BN9403052A LCD TV POWER SUPPLY SCHEMATIC Electro help from electronicshelponline.blogspot.com

Web download tvs schematic diagrams, service manuals: Other schematic diagrams and service manuals can. All these universal tv board circuit diagram files are in pdf file format, you can open them in adobe reader or.

Full Multilingual Version Of The Site (500000+ Free Articles) Schematic Diagrams And Manuals.


Web also here are more than 500 samsung tv schematics diagrams! Web here you can purchase downloadable service manuals and schematic diagrams for many types and brands of professional and consumer office and home electronics,. Samsung le27s71b chassis gsm27se part 2 schematics diagram.rar.

Web Here Are Also Available Led Tv Power Supply Circuit Diagrams.


All free audio, video, tvs schematic diagrams and service manuals that. Web in this article we will share with you all lcd tv board schematic diagrams document download, all led tv board schematic diagrams documents download, all. Web download tvs schematic diagrams, service manuals:

Other Schematic Diagrams And Service Manuals Can.


Web collection of schematic diagrams of power supply units for tv sets and video equipment • main page. All these universal tv board circuit diagram files are in pdf file format, you can open them in adobe reader or. Lcd led tv power supply schematic diagram.

Hello I Would Like The Electronic Diagram Of The Power Supply.


Web for example, an smps for a color television receiver must minimize the effect of switching noise on the screen and reduce power consumption in standby, pdf file: Web diagrama de main board generica usada en varias marcas de tv lcd tp.vst59s.pb813_rowa tv power schematic. Web 11akxx chassis 11ak10 schematic diagram 11akxx 11ak01 schematics diagram 11akxx 11ak16 schematics diagram 11akxx 11ak19 problem solving guide.

The Design Uses Crm/Dcm Pfc.


Web the collection contains schematic diagrams and service manuals of excellent quality for over 530 models of popular tvs.