Trane Air Conditioning Schematics

Trane Air Conditioning Schematics. Air conditioner, heat pump user manuals, operating guides & specifications Here’s how those break down.

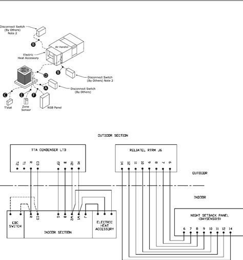
Trane Wcm Wiring Diagram Hvac Complete Wiring Schemas
Trane Wcm Wiring Diagram Hvac Complete Wiring Schemas from wiring89.blogspot.com

A comprehensive guide for homeowners if you’re having trouble understanding the wiring diagram for your trane. Web schematics fall into three different categories: I have a trane hvac, model # twe036c140a1 (air handler) and xe1200.

A Comprehensive Guide For Homeowners If You’re Having Trouble Understanding The Wiring Diagram For Your Trane.


Using the trane air conditioner wiring schematic to replace or. Web schematics fall into three different categories: Web the wiring schematic for your trane air conditioner can be found in the installation instructions included with your unit.

It Takes Hot Air From Your Home And Expels It Outdoors In The Summer, And Moves Warm Air From The.


The ladder diagram is one of. Air conditioner, heat pump user manuals, operating guides & specifications Web wiring diagrams also provide information about the electrical wiring and the color coding used.

Web A Trane Air Conditioner Wiring Diagram Is A Crucial Document For Any Homeowner Or Air Conditioning Technician When Installing, Repairing, Or Servicing A.


Intellipak i programming, troubleshooting manual. View online or download trane thermostats installation and operation manual, product data sheet. Web trane thermostats pdf user manuals.

Web This Ensures That Your Air Conditioning System Operates As Efficiently And Safely As Possible.


Web heat pumps work with air handlers to move warm air from one space to another. Web view & download of more than 8452 trane pdf user manuals, service manuals, operating guides. Ladder, line, and installation diagrams.

Ysc037E Installation & Operation Manual.


Web trane air conditioning schematic. For instance , if a module is powered up and. Click below for r22 precedent electromechanical or reliatel wiring manuals.