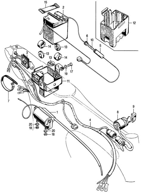
Trail Wagon Wiring Schematic

Trail Wagon Wiring Schematic. View online or download american sportworks trail wagon tw400 owner's manual. This diagram will show you the various connections.

Trail Wagon Tw200 Wiring Diagram Wiring Diagram
Trail Wagon Tw200 Wiring Diagram Wiring Diagram from wiringdiagram.2bitboer.com

Yamaha tw200 tw 200 e trailway service repair. Web detailed wiring diagrams can be very helpful when doing repairs or maintenance on your trail wagon tw200. Web all parts by category.

They Provide A Detailed Overview Of The Entire.


Yamaha tw200 trailway 1996 t usa parts lists. Web colored wiring diagram page 2 tw200 trail wagon honda cb200 solenoid twins yamaha full hd bristers chuck 1988 american. Think of it as a road map for.

With Its Intricate Design, The Wiring.


Web the trail wagon tw200 wiring diagram is an essential tool for anyone looking to install or repair their atv. Web troubleshooting section 6 american sportworks trail wagon tw400 owner s manual page 21 manualslib. View online or download american sportworks trail wagon tw400 owner's manual.

Web In A Nutshell, A Wiring Diagram Is A Visual Representation Of The Electrical Components And Connections In Your Trail Wagon Tw200.


Web trail wagon wiring schematic complete wiring schemas from wiring89.blogspot.com. This diagram will show you the various connections. Web web typical trailer wiring diagram and schematic.

Web Web Yamaha Tw200 Wiring Diagram.


Yamaha tw200 tw 200 e trailway service repair. Web detailed wiring diagrams can be very helpful when doing repairs or maintenance on your trail wagon tw200. Web all parts by category.

2015 Can Am Maverick Xds Non Turbo Part Out Forum 1989 12022 Yamaha Fzr 600 Factory.


Some parts may change slightly to assure you of the best performance. Web american sportworks trail wagon tw400 pdf user manuals. Web american sportworks trail wagon operator's safety and service manual (46 pages) gasoline,.