Tractor Engine Part Diagram

Tractor Engine Part Diagram. Complete exploded views of all the major manufacturers. Buy case ih parts online & save!

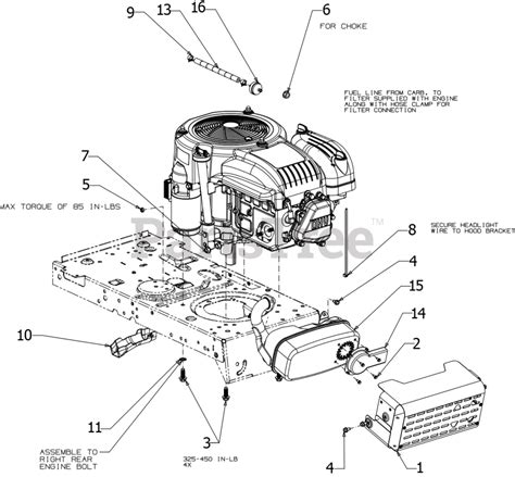
Craftsman CMXGRAM7821242 (13AB77XS091) Craftsman T105 Lawn Tractor
Craftsman CMXGRAM7821242 (13AB77XS091) Craftsman T105 Lawn Tractor from www.partstree.com

Cab is also known as cab area typically located at front side above the engine compartment covers over entire engine area, which allows easy access to operate. Web the tractor engine parts diagram collection, tips, and frequently asked questions are all readily available here. Grab the new easy change™ canister, twist and lock into place.

Click Here To Buy Your Kubota Genuine Parts.


The piston rings are used to provide the sealing effect between the cylinder and the. Buy case ih parts online & save! Web maintain your machine's top performance by using premium john deere replacement parts!

Cab Is Also Known As Cab Area Typically Located At Front Side Above The Engine Compartment Covers Over Entire Engine Area, Which Allows Easy Access To Operate.


It uses a grooves attachment point when attached to a pto driven implement to spin the shaft to a set rate. Web parts lookup from jacks small engines. John deere gt235 parts diagrams swipe swipe.

Web Engine Agco Power 6.6 L, 6 Cylinder Scr.


Web after you create a parts list and submit your contact information, we will share your request your closest tym dealer with availability of your requested parts. Search our parts catalog, order parts online or contact your john deere dealer. Make sure the arrow on your filter system aligns with the arrow on your engine.

Web Ford 1920 Tractor Exploded View Parts Lookup By Model.


We have labeled, interactive, exploded diagrams of power equipment from many of the top manufacturers. Utilize this reference guide to access all your oem kubota genuine parts. We produced this page for people looking for a.

Grab The New Easy Change™ Canister, Twist And Lock Into Place.


Web shop tractor parts ». Parts diagrams » locate your model ». Web the piston is made up of cast iron or sometimes made of aluminum alloy.