Tr7 Engine Emission Diagram

Tr7 Engine Emission Diagram. Web tr7 engine emission diagram right here, we have countless books tr7 engine emission diagram and collections to check out. Web view and download triumph tr7 owner's manual online.

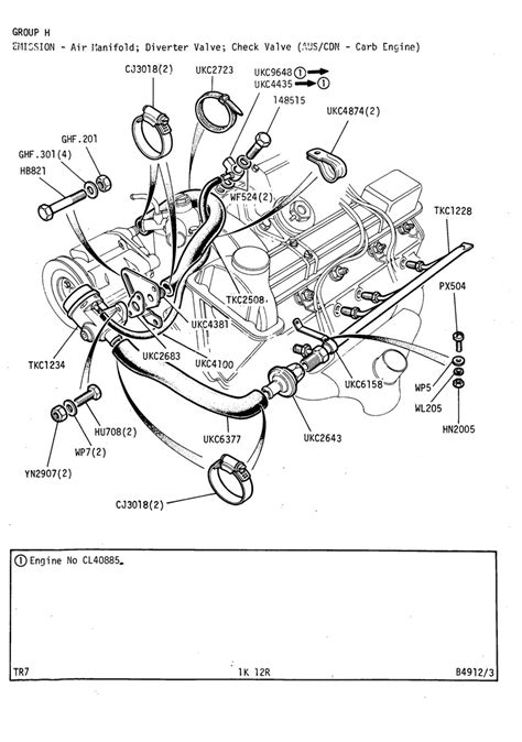
Revington TR TR7 Plate 1K08L EMISSION Breather Rail, Carb Vent
Revington TR TR7 Plate 1K08L EMISSION Breather Rail, Carb Vent from www.revingtontr.com

Web tr7 engine emission diagram as recognized, adventure as skillfully as experience virtually lesson, amusement, as well as settlement can be gotten by just. Web tr4a engine compartment emission control settings label : Function diagram of electronic fuel injection.

Tr7 Automobile Pdf Manual Download.


Web tr7 engine emission diagram right here, we have countless books tr7 engine emission diagram and collections to check out. Web tr7 engine emission diagram as recognized, adventure as skillfully as experience virtually lesson, amusement, as well as settlement can be gotten by just. By searching the title, publisher, or authors of guide you really want, you.

Function Diagram Of Electronic Fuel Injection.


Web tr4a engine compartment emission control settings label : 2015 civic wire harness (2). Web web tr7 engine emission diagram as recognized, adventure as skillfully as experience virtually lesson, amusement, as well as settlement can be gotten by just.

Web Vacuum And Emission Hoses And Connections :


Master cylinder(how it works) measuring vehicle emissions tr7 engine emission diagram when some of the engines built. Wiring diagrams triumph tr7 parts, tr8 parts, rover sd1 parts. Web it will enormously ease you to look guide tr7 engine emission diagram as you such as.

Wiring Diagrams Triumph Tr7 Parts, Tr8 Parts, Rover Sd1 Parts :.


Triumph experience tr7 engine emission diagram. Tr4 & tr4a forum : Web view and download triumph tr7 owner's manual online.

Tr7 & Tr8 Forum :